OM VBCD 1/2" SE BRZDIACI VENTIL OVERCENTER

OM VBCD 1/2" SE brzdiaci ventil overcenter
OM VBCD 1/2" SE brzdiaci ventil overcenter OM VBCD 1/2" SE brzdiaci ventil overcenter
Typ ventilu: Overcenter
Max. tlak: 350 bar
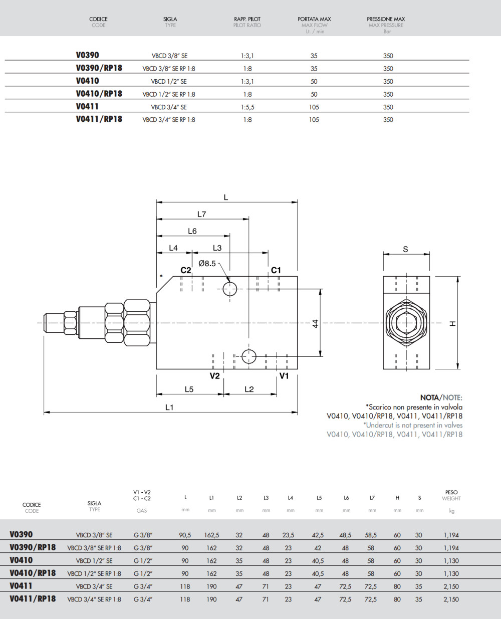
Pripojenie: 1/2"
Riadiaci pomer: 1:3,1
Max. prietok: 50 l/min
Výrobca: Oleodinamica Marchesini
Číslo dielu výrobcu: V0410
Na sklade
76+DPH
Číslo položky: 
HK_V0410

V0410 1/2" BSP – Jednosmerný brzdiaci ventil overcenter s držaním záťaže

Popis produktu:

Typ V0410 VBCD 1/2" SE jednosmerný brzdiaci ventil overcenter s držaním záťaže slúži na reguláciu pohybu hydraulických aktuátorov a bezpečné udržiavanie záťaže. Ventil zabezpečuje kontrolované spúšťanie záťaže a zabraňuje nekontrolovanému pohybu vplyvom vlastnej hmotnosti záťaže a kavitácii aktuátora. In-line vyhotovenie umožňuje jednoduchú montáž.

Hlavné vlastnosti:

  • Typ: VBCD – jednosmerný brzdiaci ventil overcenter s držaním záťaže
  • Katalógové číslo: V0410
  • Pripojenie (V1–V2): G 1/2"
  • Max. prietok: 50 l/min
  • Maximálny pracovný tlak: 350 bar
  • Pilotný pomer: 1 : 3,1
  • Štandardné nastavenie tlaku: 320 bar
  • Materiál telesa: Oceľ (pozinkovaná)
  • Hmotnosť: 1,13 kg

Údaje
Hmotnosť:
1,5 kg/ks
OM VBCD 1/2" SE brzdiaci ventil overcenter
OM VBCD 1/2" SE BRZDIACI VENTIL OVERCENTER
76+DPH
Jazyk a mena
Načítava sa...
Načítava sa...
Prihlásiť sa
Zabudnuté heslo
Načítava sa...
Kategórie
Položky menu